
不锈钢4-72C型离心通风机
不锈钢4-72C型离心式通风机可输送空气和其它不自燃的、对人体无害的、对钢材无腐蚀性的气体。气体内不允许有粘性物质,所含尘土及硬质颗粒物不大于150mg/m3。气体温度不得超过80℃该风机广泛适用于工矿企业、大型建筑物、宾馆酒楼等室内通风换气排烟。Stainless steel 4-72C centrifugal fan
Stainless steel 4-72C centrifugal fan can transport air and other non-self-igniting, harmless to the human body, non-corrosive to steel. No viscous substances are allowed in the gas, and the dust and hard particles contained in the gas are not more than 150 mg/m3. The gas temperature should not exceed 80 °C. The fan is widely used in industrial ventilation enterprises, large buildings, hotel restaurants and other indoor ventilation and smoke exhaust. Product type: The company has NO2.8, 3.2, 3.6, 4, 4.5, 5, 5.6, 6, 6.3, 7.1, 8, 10, 12 and thirteen. It can be made into two types: right-handed and left-handed. The impeller rotates clockwise and is called a right-handed fan. Expressed as "right", the impeller rotates counterclockwise, called the left-handed fan, and is represented by "left". The exit position of the fan is expressed by the air outlet angle of the casing. 4-72NO2.8-10 is made into various types at the factory, and can be installed to the required position according to the requirements of the unit of use. That is, the position of the air outlet is adjusted from 0° to 225°, and the interval is 22.5° or 45°, that is (0 There are six kinds of °, 45°, 90°, 135°, 180°, and 225°. NO7.1-10 is made into a direction angle according to user requirements. The fan is driven in the C mode. Structural features: The fan is mainly composed of impeller, casing, air inlet, frame, bearing box and other belt transmission. Impeller: consists of 10 rear-tilted airfoil blades, curved front discs and flat rear discs. After dynamic balance correction and aerodynamic performance, it has the characteristics of balanced operation, small vibration, high efficiency and long service life. Housing: welded with a steel plate into a volute casing. Air inlet: made into a whole (all mold molding), installed on the side of the fan, the axially parallel wear surface has no curved shape, which enables the gas to smoothly enter the impeller with less loss. Transmission group: from the main shaft, bearing housing, coupling and so on. The main shaft is made of high-quality steel. The overall structure of the bearing housing is made of rolling bearings and is divided into water-cooling and oil-cooling.|
机 号 Model(NO) |
|||||
|---|---|---|---|---|---|
|
转 速 Speed(r/min) |
功 率 Power(KW) |
机座号 Poles frame size-p |
流 量 Volume(M3/h) |
全 压 Total pressure(pa) |
|
| 2.8A | 2600 | 0.75-2 | Y80M-2 | 1174-1800 | 776-619 |
| 2200 | 0.37-2 | Y71M-2 | 994-1522 | 556-443 | |
| 1800 | 0.25-2 | Y63M-2 | 813-1245 | 372-296 | |
| 3.2 | 2600 | 1.1-2 | Y80M-2 | 1753-2686 | 1015-808 |
| 2200 | 0.75-2 | Y80M-2 | 1483-2273 | 726-579 | |
| 1800 | 0.55-2 | Y71M-2 | 1213-1860 | 486-387 | |
| 3.6 | 2600 | 2.2-2 | Y90L-2 | 2730-4085 | 1230-1009 |
| 2200 | 1.5-2 | Y90S-2 | 2310-3434 | 881-723 | |
| 1800 | 0.75-2 | Y80M-2 | 1890-2810 | 590-483 | |
| 4 | 2600 | 3.0-2 | Y100L-2 | 4040-5345 | 1582-1384 |
| 2300 | 2.2-2 | Y90L-2 | 3573-5491 | 1238-917 | |
| 2000 | 1.5-2 | Y90S-2 | 3107-4775 | 936-694 | |
| 1700 | 1.1-2 | Y80M-2 | 2641-4058 | 676-501 | |
| 4.5A | 2600 | 5.5-2 | Y132S-2 | 5752-8839 | 2007-1486 |
| 2300 | 4.0-2 | Y112M-2 | 5088-7819 | 1570-1163 | |
| 2000 | 3.0-2 | Y100M-2 | 4428-6788 | 1187-879 | |
| 1700 | 2.2-2 | Y90M-2 | 3761-5779 | 858-635 | |
| 5 | 2600 | 11.0-2 | Y160M-2 | 7938-12845 | 2527-1876 |
| 2300 | 7.5-2 | Y132S-2 | 7022-11363 | 1978-1468 | |
| 2000 | 5.5-2 | Y132S-2 | 6106-9881 | 1495-1110 | |
| 1700 | 3.0-2 | Y100L-2 | 5190-8399 | 1080-802 | |
| 5.6 | 2600 | 15.0-2 | Y160M-2 | 9734-19466 | 3213-2035 |
| 2300 | 11.0-2 | Y160M-2 | 8610-17220 | 2514-1593 | |
| 2000 | 7.5-2 | Y132S-2 | 7487-14974 | 1901-1204 | |
| 1700 | 5.5-4 | Y132S-4 | 6364-12728 | 1373-870 | |
| 1400 | 3.0-4 | Y100M-4 | 5242-10482 | 937-590 | |
| 6 | 2240 | 15.0-2 | Y160M-2 | 10314-20628 | 2734-1733 |
| 2000 | 11.0-2 | Y160M-2 | 9209-18418 | 2176-1380 | |
| 1800 | 7.5-4 | Y132M-4 | 8288-16576 | 1790-1116 | |
| 1600 | 5.5-4 | Y132S-4 | 7367-14734 | 1689-881 | |
| 1250 | 3.0-4 | Y100L-4 | 5756-11511 | 846-537 | |
| 1120 | 2.2-4 | Y100L-4 | 5157-10314 | 679-431 | |
| 900 | 1.5-4 | Y90L-4 | 4144-8288 | 438-278 | |
| 800 | 1.1-4 | Y90S-4 | 3684-7367 | 346-220 | |
| 6.3 | 2200 | 18.5-2 | Y160L-2 | 15342-21474 | 2908-2303 |
| 1900 | 11.0-2 | Y160M-2 | 13250-18546 | 2169-1718 | |
| 1600 | 7.5-2 | Y132S-2 | 11158-15618 | 1538-1218 | |
| 1300 | 4.0-4 | Y112M-4 | 9066-12689 | 1015-804 | |
| 1000 | 2.2-4 | Y100L-4 | 6793-9761 | 600-475 | |
| 700 | 0.75-4 | Y80M-4 | 4881-6833 | 294-233 | |
| 7.1 | 1800 | 18.5-4 | Y180M-4 | 15736-25265 | 2422-1801 |
| 1600 | 15.0-4 | Y160L-4 | 13987-22635 | 1914-1423 | |
| 1450 | 11.0-4 | Y160M-4 | 12676-20513 | 1572-1168 | |
| 1200 | 5.5-4 | Y112M-4 | 10490-16976 | 1076-800 | |
| 960 | 3.0-4 | Y100L-4 | 8392-13581 | 689-512 | |
| 700 | 1.5-4 | Y160L-4 | 6119-9903 | 366-272 | |
| 8 | 1800 | 30.0-2 | Y200L-2 | 8392-13581 | 689-512 |
| 1800 | 37.0-2 | Y200L-2 | 28105-36427 | 2920-2302 | |
| 1600 | 22.0-2 | Y180M-2 | 17463-22435 | 2478-2390 | |
| 1600 | 30.0-2 | Y160L-2 | 24982-32380 | 2303-1816 | |
| 1250 | 11.0-4 | Y160M-4 | 13643-25297 | 1507-1106 | |
| 1120 | 7.5-4 | Y132M-4 | 1224-15705 | 1209-1166 | |
| 1120 | 11.0-4 | Y60M-4 | 17487-22666 | 1124-887 | |
| 1000 | 5.5-4 | Y112M-4 | 10914-14022 | 963-929 | |
| 1000 | 7.5-4 | Y132M-4 | 15614-20237 | 895-707 | |
| 900 | 4.0-4 | Y112M-4 | 9823-12620 | 779-752 | |
| 900 | 5.5-4 | Y112M-4 | 14052-18213 | 725-572 | |
| 800 | 3.0-4 | Y100L-4 | 8732-16190 | 615-452 | |
| 710 | 3.0-4 | Y100L-4 | 7749-14368 | 485-356 | |
| 10 | 1250 | 37.0-4 | Y225S-4 | 34863-48797 | 2373-1877 |
| 1120 | 30.0-4 | Y200L-4 | 31237-43722 | 1902-1505 | |
| 1000 | 18.5-4 | Y180M-4 | 27890-39038 | 1514-1199 | |
| 900 | 15.0-4 | Y160L-4 | 25101-35134 | 1225-970 | |
| 800 | 11.0-4 | Y160M-4 | 22312-31230 | 967-766 | |
| 710 | 7.5-4 | Y132M-4 | 19802-27717 | 791-603 | |
| 630 | 5.5-4 | Y112M-4 | 17571-24594 | 599-475 | |
| 560 | 4.0-4 | Y112M-4 | 15618-21861 | 473-375 | |
| 12 | 1120 | 75.0-4 | Y280S-4 | 53978-75552 | 2746-2172 |
| 1000 | 45.0-4 | Y225M-4 | 48195-60397 | 2185-1969 | |
| 1000 | 55.0-4 | Y250M-4 | 63953-67457 | 1859-1729 | |
| 900 | 37.0-6 | Y250M-6 | 43375-60712 | 1767-1399 | |
| 800 | 22.0-6 | Y200L-6 | 38556-41973 | 1395-1376 | |
| 800 | 30.0-6 | Y225M-6 | 45391-53966 | 1321-1104 | |
| 710 | 18.5-6 | Y200L-6 | 34218-47895 | 1097-869 | |
| 630 | 15.0-6 | Y180L-6 | 30362-42498 | 863-684 | |
| 560 | 7.5-6 | Y160M-6 | 26989-29381 | 682-673 | |
| 560 | 11.0-6 | Y160L-6 | 31774-37776 | 646-540 | |
| 500 | 7.5-6 | Y160M-6 | 24097-33728 | 543-430 |
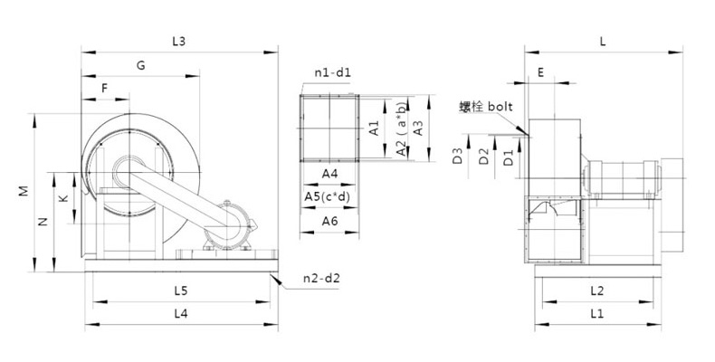
产品为人工实物测量会有一定误差,相关数据仅作参考,以收到的实物为准。 单位Unit: mm(毫米)
| 机 号 | ||||||||||||||
|---|---|---|---|---|---|---|---|---|---|---|---|---|---|---|
| 进风口尺寸 Air inlet | 出风口尺寸 Vent | |||||||||||||
| NO | D1 | D2 | D3 | 螺栓 | 个数 | A1 | A2 | A3 | A4 | A5 | A6 | a*b | c*d | n1-d1 |
| 2.8 | 282 | 310 | 333 | M6 | 8 | 228 | 259 | 286 | 200 | 228 | 260 | 64*4 | 77*3 | 14-Φ11 |
| 3.2 | 325 | 352 | 370 | M6 | 8 | 255 | 286 | 313 | 218 | 247 | 280 | 74*4 | 84*3 | 14-Φ11 |
| 3.6 | 368 | 387 | 413 | M8 | 16 | 294 | 324 | 352 | 250 | 278 | 310 | 81*4 | 70*4 | 16-Φ11 |
| 4 | 409 | 437 | 460 | M8 | 16 | 329 | 360 | 388 | 285 | 315 | 340 | 72*5 | 79*4 | 18-Φ11 |
| 4.5 | 446 | 492 | 515 | M8 | 16 | 363 | 395 | 422 | 320 | 348 | 380 | 78*5 | 88*4 | 18-Φ11 |
| 5 | 500 | 540 | 565 | M8 | 16 | 405 | 435 | 464 | 356 | 384 | 416 | 109*4 | 97*4 | 18-Φ11 |
| 5.6 | 562 | 593 | 624 | M8 | 16 | 450 | 497 | 531 | 370 | 422 | 485 | 80*6 | 88*5 | 18-Φ11 |
| 6 | 603 | 640 | 660 | M8 | 16 | 483 | 532 | 563 | 427 | 478 | 508 | 106.4*5 | 95.6*5 | 20-Φ11 |
| 6.3 | 640 | 667 | 698 | M8 | 16 | 494 | 542 | 566 | 441 | 485 | 509 | 108*5 | 97*5 | 20-Φ11 |
| 7.1 | 730 | 755 | 795 | M8 | 16 | 568 | 621 | 662 | 497 | 554 | 593 | 125*5 | 110*5 | 20-Φ11 |
| 8 | 810 | 856 | 885 | M10 | 16 | 640 | 700 | 746 | 560 | 625 | 669 | 140*5 | 125*5 | 20-Φ11 |
| 10 | 1000 | 1065 | 1095 | M10 | 16 | 800 | 860 | 906 | 700 | 765 | 809 | 172*5 | 153*5 | 28-Φ12 |
| 机号 | |||||||||||||
|---|---|---|---|---|---|---|---|---|---|---|---|---|---|
| 外形及安装尺寸 Shape and installation dimensions | |||||||||||||
| Model | G | M | F | N | K | E | L | L1 | L2 | L3 | L4 | L5 | N1-d1 |
| 2.8 | 477 | 600 | 210 | 350 | 197 | 174 | 700 | 470 | 438 | 970 | 898 | 890 | 14-Φ11 |
| 3.2 | 546 | 670 | 236 | 400 | 230 | 195 | 720 | 470 | 438 | 970 | 898 | 890 | 14-Φ11 |
| 3.6 | 599 | 752 | 253 | 450 | 253 | 222 | 760 | 470 | 438 | 970 | 898 | 890 | 16-Φ11 |
| 4 | 680 | 810 | 295 | 500 | 312 | 251 | 828 | 560 | 528 | 1080 | 958 | 990 | 18-Φ11 |
| 4.5 | 756 | 925 | 327 | 570 | 354 | 312 | 865 | 560 | 528 | 1080 | 958 | 990 | 18-Φ11 |
| 5 | 825 | 1040 | 343 | 625 | 354 | 354 | 1018 | 560 | 528 | 1080 | 958 | 990 | 18-Φ11 |
| 5.6 | 916 | 1130 | 384 | 680 | 390 | 394 | 1056 | 560 | 528 | 1080 | 958 | 990 | 18-Φ11 |
| 6 | 980 | 1210 | 408 | 745 | 420 | 385 | 1089 | 640 | 608 | 1080 | 1168 | 1200 | 20-Φ11 |
| 6.3 | 1017 | 1300 | 432 | 790 | 440 | 411 | 1154 | 640 | 608 | 1300 | 1168 | 1200 | 20-Φ11 |
| 7.1 | 1202 | 1450 | 522 | 880 | 798 | 500 | 1307 | 1170 | 1130 | 1730 | 1590 | 1630 | 20-Φ11 |
| 8 | 1286 | 1815 | 582 | 1080 | 565 | 284 | 1556 | 1420 | 1380 | 1780 | 1600 | 1680 | 20-Φ11 |
| 10 | 1589 | 2195 | 687 | 1300 | 700 | 350 | 1656 | 1550 | 1510 | 1880 | 1740 | 1780 | 28-Φ12 |
欢迎进入“万通风机”官方网站
Welcome to Wantong Xingfeng official website
![]() |
广州市万通通风设备有限公司 广州市万通通风设备有限公司(注册商标:万通星风)是一家研发、生产、销售、安装通风设备、大气污染防治设备的多元化专业性企业。产品广泛用于:电镀、化工、电子、电气、线路板、机械、电站、电厂、科研、医院、实验室、矿业、冶炼、橡胶、林业、皮革、纸业、陶瓷、模具车间、汽车制造,新能源机械等配套以及各种含有腐蚀性气体的场合。每一个产品都见证了万通的品质,让万通立足全国,走向世界!经过十几年发展“万通星风”已汇聚了一群技术精湛,经验丰富的专业技术人员,引进消化国内外先进技术,是国内拥有自主研发大气污染防治设备、防腐风机能力的厂家。“国际品质、万通打造” 全国服务热线: |
广州总公司
Guangzhou General Corporation
![]() |
销售电话: |
![]() |
官方网址: |
![]() |
电子邮箱:wantongfj@qq.com |
![]() |
![]() |
地址:广州市番禺区沙湾镇动车街33号之二 路线:广州地铁3号线到番禺广场站下,换乘公交车番68路、到古东村总站下。 |
|||
公司地图
Company map
咨询:4-72型不锈钢离心风机
* 为必填项
广州市万通通风设备有限公司
销售电话:
ONLINE CONSUL TATION